Ariens Model 520 / Ariens 939001 (ST 520 E) - Ariens 20" Snow Blower, 5hp ... / Visit your local ariens service center for replacement.

Ariens Model 520 / Ariens 939001 (ST 520 E) - Ariens 20" Snow Blower, 5hp ... / Visit your local ariens service center for replacement.. 10 pack shear pins with lock nuts for ariens 532005 53200500 shear bolt pin pack. 939001 st520e snow blower pdf manual download. St520, st524, st624 and st724. Ariens genuine oem parts provide peace of mind and the confidence of knowing these parts were specifically designed for an exact fit, optimal performance and safety. This product is currently out of stock.

View and download ariens 939001 st520e owner's/operator's manual online. 2012 model years) i don't know why ariens chose to keep the old model numbers, when. Also fits john deere models: All ariens models have also been upgraded to use a new high intensity halogen reflector headlamp (2011 vs. Denne maskine er placeret i libertyville, il usa.

2008 Ariens 939003 Wheels, Tires, and Attachments - John ...
2008 Ariens 939003 Wheels, Tires, and Attachments - John ... from www.machinefinder.com
We sell parts & accessories for your ariens lawn mower, zero turn, snow blower and other power equipment. 939001 st520e snow blower pdf manual download. I can't find the exact model online, but it's one of ariens smaller two stage snowblower. 939001 st520e snow blower pdf manual download. Visit your local ariens service center for replacement. Used 2008 ariens model 520 snowblower. Not priming, will not start because it isn't. We sell new replacement engines.

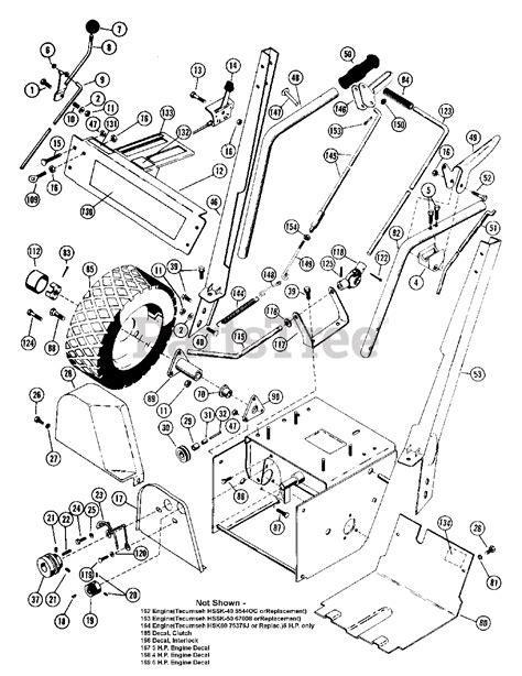
Page 3 models table of contents domestic decals model 939001 (520e) 5h.p.

Its only got one speed. One model worth exploring is the ariens 520 snowblower. This product is currently out of stock. Ariens 939001 (000101) st520e 5hp 20 snowblower parts. How do i load staples in model 520e. I've replaced the fuel, the oil, the sparkplug, and it still won't start. New pto switch for ariens, cub cadet, gravely, kubota, mtd, snapper, toro, woods 10 pack snow blower shear pins & nuts for ariens models st520, st524, st624 (231763086326). 939001 st520e snow blower pdf manual download. View and download ariens 939001 st520e owner's/operator's manual online. 10 pack shear pins with lock nuts for ariens 532005 53200500 shear bolt pin pack. 939001 st520e snow blower pdf manual download. Prisen på denne ariens 520 er 2.503 kr. Allowing you to invest in an efficient, compatibl…

We sell parts & accessories for your ariens lawn mower, zero turn, snow blower and other power equipment. The ariens 520 model is no different in this regard; The ariens deluxe 30 in. Ariens 939001 (000101) st520e 5hp 20 snowblower parts. 524d, 724d, 826d and 1332dde all oem part numbers and logos are to be used for identification purposes only.

CARBURETOR for Tecumseh Craftsman Ariens 640020 640020A ...
CARBURETOR for Tecumseh Craftsman Ariens 640020 640020A ... from i.ebayimg.com
Used on ariens models 924080 with 24' auger. Ariens snow blower parts available online and ready to ship direct to your door. Ariens genuine oem parts provide peace of mind and the confidence of knowing these parts were specifically designed for an exact fit, optimal performance and safety. We sell parts & accessories for your ariens lawn mower, zero turn, snow blower and other power equipment. I can't find the exact model online, but it's one of ariens smaller two stage snowblower. The ariens 520 snowblower is built tough with a steel chute and 120v starting system and can throw snow up to 40 feet away. This product is currently out of stock. View and download ariens 939001 st520e owner's/operator's manual online.

939001 st520e snow blower pdf manual download.

I can't find the exact model online, but it's one of ariens smaller two stage snowblower. 524d, 724d, 826d and 1332dde all oem part numbers and logos are to be used for identification purposes only. Summary of contents of user manual for ariens 939002 st520. 2012 model years) i don't know why ariens chose to keep the old model numbers, when. Ariens 939001 (000101) st520e 5hp 20 snowblower parts. The ariens deluxe 30 in. New pto switch for ariens, cub cadet, gravely, kubota, mtd, snapper, toro, woods 10 pack snow blower shear pins & nuts for ariens models st520, st524, st624 (231763086326). I have a 20+ year old ariens model 924050 24 8hp snow thrower; 939001 st520e snow blower pdf manual download. All ariens models have also been upgraded to use a new high intensity halogen reflector headlamp (2011 vs. 939001 st520e snow blower pdf manual download. List of ariens lawn tractor models. Here's my $125 craigslist snowblower.

Summary of contents of user manual for ariens 939002 st520. Ariens lawn mower user manual. Ariens snow blower parts available online and ready to ship direct to your door. Page 3 models table of contents domestic decals model 939001 (520e) 5h.p. Its only got one speed.

Ariens 2 stage Snowblower - (Corning) for Sale in Elmira ...
Ariens 2 stage Snowblower - (Corning) for Sale in Elmira ... from images1.americanlisted.com
Used on ariens models 924080 with 24' auger. Ariens 939001 (000101) st520e 5hp 20 snowblower parts. All ariens models have also been upgraded to use a new high intensity halogen reflector headlamp (2011 vs. Also fits john deere, bolens, mtd & black in color. We sell new replacement engines. Posted by mike mallon on feb 08, 2013. Used 2008 ariens model 520 snowblower. Visit your local ariens service center for replacement.

It has user friendly features like hand warmers, electric start, auto turn easy steering and.

Visit your local ariens service center for replacement. St520, st524, st624 and st724. Here's my $125 craigslist snowblower. The ariens deluxe 30 in. Ariens genuine oem parts provide peace of mind and the confidence of knowing these parts were specifically designed for an exact fit, optimal performance and safety. We sell new replacement engines. One model worth exploring is the ariens 520 snowblower. I can't find the exact model online, but it's one of ariens smaller two stage snowblower. 10 pack shear pins with lock nuts for ariens 532005 53200500 shear bolt pin pack. This product is currently out of stock. The ariens 520 snowblower is built tough with a steel chute and 120v starting system and can throw snow up to 40 feet away. Not priming, will not start because it isn't. Kontaktujte priamo predajca značky ariens 520 poľnohospodárske stroje na predaj.

Ariens Model 520 / Ariens 939001 (ST 520 E) - Ariens 20" Snow Blower, 5hp ... / Visit your local ariens service center for replacement. Ariens Model 520 / Ariens 939001 (ST 520 E) - Ariens 20" Snow Blower, 5hp ... / Visit your local ariens service center for replacement. Reviewed by Ruth Idea Pics on Juni 08, 2021 Rating: 5

Tidak ada komentar:

Diberdayakan oleh Blogger.
banner